Los pedidos se entregan normalmente a España en un plazo de 48 horas, según la ubicación.
El envío gratuito a España se aplica a pedidos de 50 EUR o más. Los gastos de envío serán de 18 EUR para todos los pedidos inferiores a 50 EUR.
Flete prepago de UPS o FedEx: DDP (aranceles y aduanas pagados por DigiKey)
Flete prepago de DHL: CPT (aranceles, aduanas e IVA adeudados en el momento de la entrega)
Cuenta de crédito para instituciones y empresas calificadas
Pago por adelantado a través de transferencia bancaria
![]()
![]()
![]()
![]()


Más productos de socios totalmente autorizados
Tiempo promedio de envío de 1 a 3 días , se pueden aplicar cargos adicionales por envío. Consulte la página de productos, el carrito y el pago para estimar la velocidad del envío actual.
Incoterms: CPT (impuestos, tarifas aduaneras e IVA/impuestos aplicables pagaderos en el momento de la entrega)
Para obtener más información, visite Ayuda y soporte
PCB Design & Assembly Engineer | Founder of TJHXPCB, Tianjin, China. Custom PCB design, SMT assembly, turnkey PCB assembly & motor controller manufacturing for international clients. tjhxpcb.com
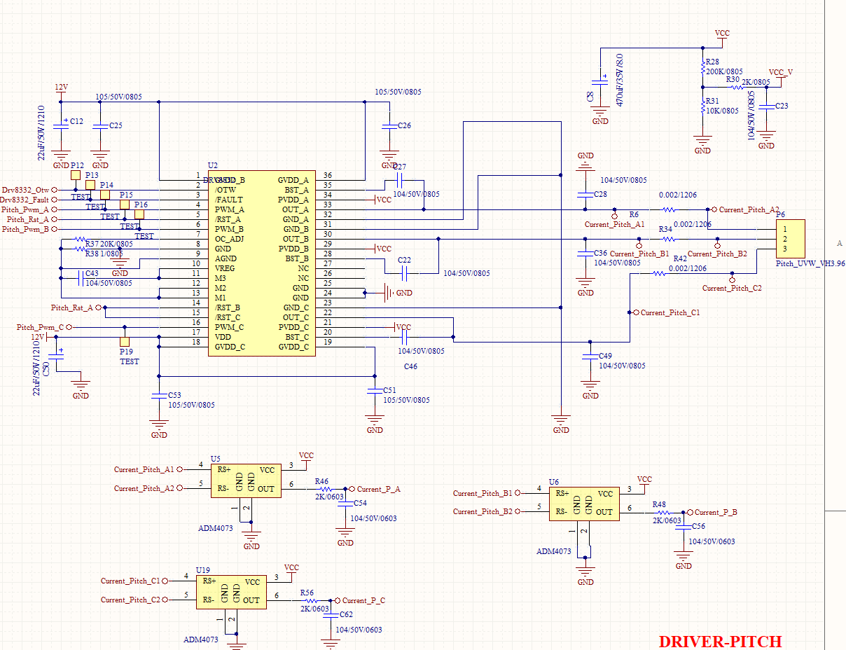
Full development of a custom BLDC motor controller PCB — from Altium Designer schematic to SMT assembly. Manufactured at TJHXPCB, Tianjin, China.
Obtenga respuestas rápidas y precisas de los técnicos e ingenieros experimentados de DigiKey en TechForum.
Visite el área de Ayuda de asistencia del sitio web para buscar información obre pedido, envío, entrega y más.
Los usuarios registrados pueden realizar un seguimiento de sus pedidos a través del menú desplegable de la cuenta o haciendo clic aquí. *El estado del pedido puede demorar 12 horas para que se actualice después de solicitar el pedido inicial.
Los usuarios pueden comenzar el proceso de devolución en nuestra Página de devoluciones.
Los usuarios registrados pueden crear cotizaciones en myLists.
Visite la Página de registro e ingrese la información solicitada. Recibirá una confirmación por correo electrónico cuando se haya completado el registro.
Los pedidos se entregan normalmente a España en un plazo de 48 horas, según la ubicación.
El envío gratuito a España se aplica a pedidos de 50 EUR o más. Los gastos de envío serán de 18 EUR para todos los pedidos inferiores a 50 EUR.
Flete prepago de UPS o FedEx: DDP (aranceles y aduanas pagados por DigiKey)
Flete prepago de DHL: CPT (aranceles, aduanas e IVA adeudados en el momento de la entrega)
Cuenta de crédito para instituciones y empresas calificadas
Pago por adelantado a través de transferencia bancaria
![]()
![]()
![]()
![]()


Más productos de socios totalmente autorizados
Tiempo promedio de envío de 1 a 3 días , se pueden aplicar cargos adicionales por envío. Consulte la página de productos, el carrito y el pago para estimar la velocidad del envío actual.
Incoterms: CPT (impuestos, tarifas aduaneras e IVA/impuestos aplicables pagaderos en el momento de la entrega)
Para obtener más información, visite Ayuda y soporte
¡Gracias!
¡Esté atento a las noticias y actualizaciones de DigiKey que llegarán a su bandeja de entrada!
Ingrese una dirección de correo electrónico
Acepte marcando la casilla