Introducción al control del motor CC sin escobillas

Por Steven Keeping

Colaboración de Electronic Products


El motor CC sin escobillas (BLDC) es cada vez más popular en sectores, como el automotriz (especialmente en vehículos eléctricos [EV]), HVAC, electrodomésticos e industria, porque, tal como lo indica su nombre, no necesita de las escobillas que tienden al desgaste (estas escobillas se utilizan en los motores tradicionales) y las reemplaza con un dispositivo electrónico que mejora la fiabilidad y la durabilidad de la unidad.

Además, un motor BLDC puede ser más pequeño y liviano que un motor de escobilla con la misma salida de potencia por lo que es ideal para aplicaciones donde el espacio es reducido.

La desventaja es que los motores BLDC sí necesitan administración electrónica para funcionar. Por ejemplo, se necesita un microcontrolador, que utiliza una entrada de sensores que indican la posición del rotor, para energizar las bobinas del estator en el momento correcto. El tiempo preciso permite un control preciso de velocidad y torsión así como garantiza que el motor funcione con el pico de eficiencia.

Este artículo explica los principios básicos del funcionamiento del motor BLDC y describe el circuito de control típico para la operación de una unidad trifásica. También se analizan algunos de los módulos integrados, que el diseñador puede seleccionar para facilitar el diseño del circuito y que están diseñados especialmente para el control del motor BLDC.

Ventajas de la operación sin escobillas

Las escobillas de un motor convencional transmite la potencia a las bobinas del rotor que gira en un campo magnético fijo cuando está energizado. La fricción entre las escobillas fijas y un contacto de metal giratorio en el rotor de rotación provoca el desgaste. Además, la potencia se puede perder si hay un contacto escaso entre la escobilla y el metal y la formación de arco eléctrico.

Como un motor BLDC realiza la distribución mediante las escobillas, en vez de utilizar un «conmutador electrónico», la fiabilidad y la eficiencia del motor mejora al eliminar la fuente de desgaste y la pérdida de potencia. Los motores BLDC ofrecen muchas otros beneficios en comparación con motores CC con escobilla y motores de inducción, entre ellos mejor velocidad en comparación con torsión, respuesta dinámica más rápida, operación sin ruido y mayores rangos de velocidad.1

Además, la proporción de torque que se proporciona en relación con el tamaño del motor es mayor, por lo que es una buena opción para aplicaciones como máquinas lavadoras y EV, donde se necesita una potencia alta, pero el tamaño compacto y el peso son factores esenciales. (No obstante, se debe tener en cuenta que los motores CC de tipo escobilla tienen mayor torque de inicio).

Un motor BLDC se conoce por ser «sincrónico» porque el campo magnético generado por el estator y el rotor giran a la misma frecuencia. Un beneficio de este arreglo es que los motores BLDC no ejercen el «deslizamiento» típico de los motores de inducción.

Si bien los motores pueden ser monofásicos, bifásicos o trifásicos, el último es el tipo más común y es la versión que se analizará aquí.

El estator del motor BLDC compromete las láminas de acero, con ranuras axiales para alojar la misma cantidad de bobinados en la periferia interna (Figura 1). Si bien el estator del motor BLDC se asemeja a un motor de inducción, el bobinado se distribuye de manera diferente.

Motor BLDC Microchip

Figura 1: Estator de un motor BLDC que muestran un anillo de acero ranurado con bobinados axiales. (Cortesía de Microchip.)

El rotor está construido de imanes permanentes con pares de polo N-S de dos a ocho. La mayor cantidad de pares de imanes aumentan la torsión y disminuyen el denominado rizado de torsión, que equilibra la potencia que llega del motor. La desventaja es un sistema de control más complejo, mayor costo y menor velocidad máxima.

Tradicionalmente, los imanes de ferrita se utilizaron como imanes permanentes, pero las unidades actuales tienden a usar imanes de tierra rara. Si bien estos imanes son más costosos, generan mayor densidad de flujo, permitiendo que el rotor sea más pequeño para un par de torsión dado. El uso de estos imanes poderosos es un motivo clave por el que los motores BLDC ofrecen mayor potencia que el motor CC de escobilla del mismo tamaño.

Podrá encontrar información detallada sobre la construcción y la operación de los motores BLDC en una interesante nota de aplicación (AN885) publicada por Microchip Technology.2

Principios básicos de funcionamiento

El conmutador electrónico del motor BLDC energiza de manera secuencial las bobinas del estator generando un campo eléctrico giratorio que "arrastra" al rotor a su alrededor. Las N «revoluciones eléctricas» equivalen a una revolución mecánica, donde N es el número de pares de imanes.

Para los motores trifásicos, tres sensores de efecto Hall se integran en el estator para indicar las posiciones relativas del estator y del rotor con respecto al controlador para que puede energizar el bobinado en la secuencia correcta y en el momento correcto. Los sensores Hall se montan generalmente en el extremo no impulsor de la unidad (Figura 2).

Sensores de efecto Hall de Microchip

Figura 2: Los sensores de efecto Hall están integrados en el estator de un motor BLDC para determinar la secuencia de alimentación del bobinado. (Cortesía de Microchip.)

Cuando los polos magnéticos del rotor, pasan por los sensores de efector Hall, se genera un señal más alta (para un polo) o más baja (para el polo opuesto). Tal como se analiza en detalle a continuación, la secuencia exacta de conmutación se puede determinar al combinar las señales de tres sensores.

Todos los motores eléctricos generan un potencial de voltaje debido al movimiento del bobinado a través del campo magnético asociado. Este potencial se conoce como fuerza electromotriz y conforme a la ley de Lenz, genera una corriente en el bobinado con un campo magnético opuesto al cambio original en el flujo magnético. En pocas palabras, esto significa que el EMF tiende a resistir la rotación del motor y, por lo tanto, se denomina EMF «regenerado» (BEMF). Para un motor dado del flujo magnético fijo y una cierta cantidad de bobinados, el EMF es proporcional a la velocidad angular del rotor.

No obstante, el BEMF puede utilizarse para obtener un beneficio mientras agrega un poco de «resistencia» al motor. Al monitorear el BEMF, un microcontrolador puede determinar las posiciones relativas del estator y del rotor sin la necesidad de sensores de efecto Hall. Esto simplifica la construcción del motor, reduciendo el costo y eliminando el bobinado y las conexiones adicionales al motor que se necesitarán para apoyar a los sensores. Esto mejora la fiabilidad cuando hay suciedad y humedad presentes.

No obstante, un motor fijo no genera BEMF, por lo que es imposible que el microcontrolador determine la posición de las piezas del motor en el arranque. La solución es encender el motor en una configuración de bucle abierto hasta que se genere suficiente EMF para que el microcontrolador pueda tomar control de la supervisión del motor. Estos motores BLDC denominados «sin sensores» están ganando popularidad.

Control de un motor BLDC

Si bien los motores BLDC son mecánicamente simples, necesitan dispositivos electrónicos de control sofisticados y fuentes de alimentación reguladas. El diseñador debe enfrentar el desafío de lidiar con un sistema de alta potencia y trifásico que demanda un control preciso para funcionar de manera efectiva.

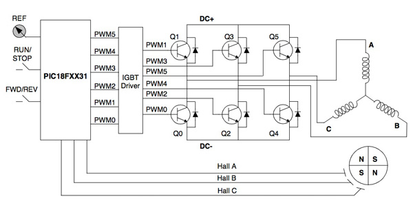
La figura 3 muestra un arreglo típico para impulsar un motor BLDC con sensores de efecto Hall. (El control de un motor BLDC sin sensores que utiliza la medición BEMF se cubrirá en otro artículo). Este sistema muestra las tres bobinas del motor dispuestas en forma de «Y», un microcontrolador PIC18F2431 de Microchip, un controlador, transistores bipolares de puerta aislada (IGBT) y un inversor trifásico con seis IGBT (los transistores de efecto de campo con semiconductores de óxido metálico (MOSFET) también se pueden utilizar para la conmutación de alta potencia). La salida del microcontrolador (reflejado por el controlador IGBT) incluye señales moduladas de ancho de pulso (PWM) que determinan el promedio de voltaje y el promedio de corriente en las bobinas (y por lo tanto, la velocidad y par de torsión del motor). El motor utiliza tres sensores de efecto Hall (A, B y C) para indicar la posición del rotor. El rotor utiliza dos pares de imanes permanentes para generar el flujo magnético.

Sistema de control de fuente de alimentación BLDC de Microchip

Figura 3: Sistema de control de fuente de alimentación BLDC que utiliza un microcontrolador de 8 bits. (Cortesía de Microchip.)

El sistema emplea una secuencia de conmutación de seis pasos para cada revolución eléctrica. Como el motor tiene dos pares de imanes, se necesitan dos revoluciones eléctricas para hacer girar el motor una vez.

La figura 4 muestra el flujo de corriente en un arreglo idéntico de bobinas conectadas al motor que en la Figura 3 (este tiempo se etiqueta como U, V y W) para cada uno de los seis pasos y la Figura 5 muestra las salidas subsiguientes del sensor de efecto Hall y los voltajes de la bobina.

Secuencia de alimentación de la bobina de Atmel

Figura 4: Secuencia de alimentación de la bobina para una revolución eléctrica de un motor BLDC trifásico. (Cortesía de Atmel.)

Bobinas energizadas de Atmel

Figura 5: El estado de los sensores de efecto Hall determinan cuándo y cómo se energizan las bobinas. Un par de sensores de efecto Hall está conectado a cada bobina. (Cortesía de Atmel.)

Un par de sensores de efecto Hall determina cuando el microcontrolador energiza una bobina. En este ejemplo, los sensores H1 y H2 determinan la conmutación de la bobina U. Cuando H2 detecta un polo magnético N, la bobina U se energiza positivamente; cuando H1 detecta un polo magnético N, la bobina U se abre; cuando H2 detecta un polo magnético S, la bobina U se torna negativa; y por último, cuando H1 detecta un polo magnético S, la bobina U se vuelve abrir. De manera similar, los sensores H2 y H3 determinan si se energiza la bobina V con H1 y H3 cuidando de la bobina W.

En cada paso, dos fases están activas con una fase alimentando la corriente al motor y la otra ofreciendo una ruta de retorno de la corriente. La otra fase está abierta. El microcontrolador controla que dos de los interruptores en el inversor trifásico estén cerrados para energizar de manera positiva o negativa las dos bobinas activas. Por ejemplo, conmutar Q1 en la Figura 3 energiza positivamente la bobina A y conmutar Q2 negativamente energiza la bobina B para ofrecer una ruta de retorno. La bobina C permanece abierta.

Los diseñadores pueden experimentar con kits de desarrollo basados en microcontroladores para probar los regímenes de control antes de comprometerse con el diseño de un motor de tamaño completo. Por ejemplo, Atmel ha producido un kit de inicio asequible, el ATAVRMC323, para el control del motor BLDC basado en el microcontrolador ATxmega128A1 de 8 bits.4 Otros proveedores ofrecen kits similares.

Impulsar un motor BLDC

Si bien un microcontrolador de 8 bits conectado a un inversor trifásico es un buen comienzo, no es suficiente para un sistema de control de motor BLDC completo. Para completar el trabajo, se requiere una fuente de alimentación regulada para impulsar el IGBT o MOSFET (el «controlador IGBT» se muestra en la figura 3). Por suerte, el trabajo se facilita porque varios de los principales proveedores de semiconductores han diseñado especialmente chips de controlador integrado para el trabajo.

Estos dispositivos generalmente incluyen un convertidor reductor (para alimentar el microcontrolador y otros requisitos de alimentación del sistema), control del controlador de compuerta y administración de fallas además de lógica de control y sincronización. El precontrolador DRV8301 de Texas Instruments es un buen ejemplo (figura 6).

Controlador de motor DRV8301 de Texas Instruments

Figura 6: El controlador de motor DRV8301 de Texas Instruments integra un regulador reductor, un controlador de compuerta, una lógica de control en un solo paquete.

Este precontrolador admite una capacidad de disipación de hasta 2.3 A de y de corriente máxima de 1.7 A y sólo necesita una sola fuente de alimentación con un rango amplio de 8 a 60 V. El dispositivo utiliza un agitador automático cuando los IGBT de lado alto o bajo o los MOSFET está conmutando para evitar picos de corriente.

ON Semiconductor ofrece un chip similar, el LB11696V. En este caso, un circuito del controlador del motor con la potencia de alimentación deseada (voltaje y corriente) se puede implementar al agregar transistores discretos en los circuitos de salida. El chip también ofrece un complemento completo de circuitos de protección, por lo que son ideales para aplicaciones que deben demostrar una alta fiabilidad. Este dispositivo está diseñado para motores BLDC grandes como aquellos utilizados en los aires acondicionados y calentadores de agua a demanda.

En resumen 

Los motores BLDC ofrecen varios beneficios en comparación con los motores convencionales. La extracción de las escobillas de un motor elimina una pieza mecánica que de otra manera reduciría la eficiencia, se desgastaría o podría ser catastrófica. Además, el desarrollo de imanes de tierra rara poderosos ha permitido la producción de motores BLDC que pueden producir la misma potencia que los motores con escobilla y a su vez pueden caber en lugares más pequeños.

Una desventaja notable es que los motores BLDC, a diferencia de los motores con escobillas, necesitan de un sistema electrónico para supervisar la secuencia de energización de las bobinas y ofrecer otras funciones de control. Sin el sistema electrónico, los motores no pueden operar.

No obstante, la proliferación de dispositivos electrónicos sólidos y asequibles diseñados para el control del motor significa que diseñar un circuito es relativamente simple y económico. De hecho, un motor BLDC se puede configurar para que funcione en una configuración simple sin tener que usar un microcontrolador al usar un generador trifásico de onda cuadrada o sinusoide. Fairchild Semiconductor, por ejemplo, ofrece su chip FCM8201 para esta aplicación y ha publicado una nota de aplicación sobre cómo configurar dispositivos.5

De la misma manera, el controlador del motor BLDC MC33033 de ON Semiconductor integra un decodificador de posición del rotor en el chip para que el microcontrolador no tenga que completar el sistema. El dispositivo se puede utilizar para controlar un motor BLDC trifásico o de cuatro fases.

No obstante, utilizar un microcontrolador de 8 bits (programado con código suministrado de fábrica o el software propiedad del desarrollador) agrega muy poco costo al sistema de control, e incluso ofrece al usuario mucho más control para garantizar que funciona con una eficiencia óptima además de ofrecer salida de par de torsión, velocidad o posicionamiento más precisa.

Referencias:
  1. Brushless DC Motor Primer,” Muhammad Mubeen, julio de 2008.
  2. Brushless DC (BLDC) Motor Fundamentals,” Padmaraja Yedamale, nota de aplicación de Microchip Technology AN885, 2003.
  3. Using the PIC18F2431 for Sensorless BLDC Motor Control,” Padmaraja Yedamale, Nota de aplicación de Microchip Technology AN970, 2005.
  4. AVR1607: Brushless DC Motor (BLDC) Control in Sensor mode using ATxmega128A1 and ATAVRMC323,” nota de aplicación de Atmel, 2010.
  5. FCM8201 Three-Phase Sine-Wave motor bldc Controlador,” Nota de aplicación de Fairchild Semiconductor AN-8201, 2011.

Descargo de responsabilidad: Las opiniones, creencias y puntos de vista expresados por los autores o participantes del foro de este sitio web no reflejan necesariamente las opiniones, las creencias y los puntos de vista de DigiKey o de las políticas oficiales de DigiKey.

Información sobre la editorial

Electronic Products

La revista Electronic Products y ElectronicProducts.com ofrece ingenieros y gerentes de ingeniería responsables de diseñar equipos y sistemas electrónicos.

Información sobre el autor

Image of Steven Keeping

Steven Keeping

Steven Keeping is a contributing author at DigiKey. He obtained an HNC in Applied Physics from Bournemouth University, U.K., and a BEng (Hons.) from Brighton University, U.K., before embarking on a seven-year career as an electronics manufacturing engineer with Eurotherm and BOC. For the last two decades, Steven has worked as a technology journalist, editor and publisher. He moved to Sydney in 2001 so he could road- and mountain-bike all year round, and work as editor of Australian Electronics Engineering. Steven became a freelance journalist in 2006 and his specialities include RF, LEDs and power management.