Maker.io main logo

Datalogging made easy with the Adafruit Feather 32u4 Adalogger

44

2016-03-03 | By Adafruit Industries

License: See Original Project Arduino Adafruit Feather

Courtesy of Adafruit - Feather is the new development board from Adafruit, and like it's namesake it is thin, light, and lets you fly! We designed Feather to be a new standard for portable microcontroller cores.

This is the Adafruit Feather 32u4 Adalogger - our take on an 'all-in-one' datalogger (or data-reader) with built in USB and battery charging. Its an Adafruit Feather 32u4 with a microSD holder ready to rock!

At the Feather 32u4's heart is at ATmega32u4 clocked at 8 MHz and at 3.3V logic, a chip setup we've had tons of experience with as it's the same as the Flora. This chip has 32K of flash and 2K of RAM, with built in USB so not only does it have a USB-to-Serial program & debug capability built in with no need for an FTDI-like chip, it can also act like a mouse, keyboard, USB MIDI device, etc.

To make it easy to use for portable projects, we added a connector for any of our 3.7V Lithium polymer batteries and built in battery charging. You don't need a battery, it will run just fine straight from the micro USB connector. But, if you do have a battery, you can take it on the go, then plug in the USB to recharge. The Feather will automatically switch over to USB power when its available. We also tied the battery thru a divider to an analog pin, so you can measure and monitor the battery voltage to detect when you need a recharge.

Here's some handy specs! Like all Feather 32u4's you get:

  • Measures 2.0" x 0.9" x 0.28" (51mm x 23mm x 8mm) without headers soldered in
  • Light as a (large?) feather - 5.1 grams
  • ATmega32u4 @ 8MHz with 3.3V logic/power
  • 3.3V regulator with 500mA peak current output
  • USB native support, comes with USB bootloader and serial port debugging
  • You also get tons of pins - 20 GPIO pins
  • Hardware Serial, hardware I2C, hardware SPI support
  • 8 x PWM pins
  • 10 x analog inputs
  • Built in 100mA lipoly charger with charging status indicator LED
  • Pin #13 red LED for general purpose blinking
  • Power/enable pin 4 mounting holes
  • Reset button

The Feather 32u4 Adalogger uses the extra space left over to add MicroSD a green LED:

  • Pin #8 green LED for your blinking pleasure
  • MicroSD card holder for adding as much storage as you could possibly want, for reading or writing.

Comes fully assembled and tested, with a USB bootloader that lets you quickly use it with the Arduino IDE. We also toss in some header so you can solder it in and plug into a solderless breadboard. Lipoly battery, MicroSD card and USB cable not included (but we do have lots of options in the shop if you'd like!)

Check out our tutorial for all sorts of details, including schematics, files, IDE instructions, and more!

Pinouts

Power Pins

  • GND - this is the common ground for all power and logic
  • BAT - this is the positive voltage to/from the JST jack for the optional Lipoly battery
  • USB - this is the positive voltage to/from the micro USB jack if connected
  • EN - this is the 3.3V regulator's enable pin. It's pulled up, so connect to ground to disable the 3.3V regulator
  • 3V - this is the output from the 3.3V regulator, it can supply 500mA peak

Logic pins

This is the general purpose I/O pin set for the microcontroller. All logic is 3.3V

#0 / RX - GPIO #0, also receive (input) pin for Serial1 and Interrupt #2

#1 / TX - GPIO #1, also transmit (output) pin for Serial1 and Interrupt #3

#2 / SDA - GPIO #2, also the I2C (Wire) data pin. There's no pull up on this pin by default so when using with I2C, you may need a 2.2K-10K pullup. Also Interrupt #1

#3 / SCL - GPIO #3, also the I2C (Wire) clock pin. There's no pull up on this pin by default so when using with I2C, you may need a 2.2K-10K pullup. Can also do PWM output and act as Interrupt #0.

#5 - GPIO #5, can also do PWM output

#6 - GPIO #6, can also do PWM output and analog input A7

#9 - GPIO #9, also analog input A9 and can do PWM output. This analog input is connected to a voltage divider for the lipoly battery so be aware that this pin naturally 'sits' at around 2VDC due to the resistor divider

#10 - GPIO #10, also analog input A10 and can do PWM output.

#11 - GPIO #11, can do PWM output.

#12 - GPIO #12, also analog input A11 and can do PWM output.

#13 - GPIO #13, can do PWM output and is connected to the red LED next to the USB jack

A0 thru A5 - These are each analog input as well as digital I/O pins.

SCK/MOSI/MISO - These are the hardware SPI pins, used by the microSD card too! You can use them as everyday GPIO pins if the SD card is not inserted. However, we really recommend keeping them free as they should be kept available for the SD. If they are used, make sure its with a device that will kindly share the SPI bus! Also used to reprogram the chip with an AVR programmer if you need.

Micro SD Card Green LED

Since not all pins can be brought out to breakouts, due to the small size of the Feather, we use these to control the SD card!

  • #4 - used as the MicroSD card CS (chip select) pin
  • #7 - used as the MicroSD card CD (card detect) pin. If you want to detect when a card is inserted/removed, configure this pin as an input with a pullup. When the pin reads low (0V) then there is no card inserted. When the pin reads high, then a card is in place. It will not tell you if the card is valid, its just a mechanical switch
  • #8 - This pin was also left over, so we tied it to a green LED, its next to the SD card. It might be handy to blink this LED when writing / reading valid data or some other user-alert!

Other Pins!

  • RST - this is the Reset pin, tie to ground to manually reset the AVR, as well as launch the bootloader manually
  • ARef - the analog reference pin. Normally the reference voltage is the same as the chip logic voltage (3.3V) but if you need an alternative analog reference, connect it to this pin and select the external AREF in your firmware. Can't go higher than 3.3V!

Power Managment

Battery USB Power

We wanted to make the Feather easy to power both when connected to a computer as well as via battery. There's two ways to power a Feather. You can connect with a MicroUSB cable (just plug into the jack) and the Feather will regulate the 5V USB down to 3.3V. You can also connect a 4.2/3.7V Lithium Polymer (Lipo/Lipoly) or Lithium Ion (LiIon) battery to the JST jack. This will let the Feather run on a rechargable battery. When the USB power is powered, it will automatically switch over to USB for power, as well as start charging the battery (if attached) at 100mA. This happens 'hotswap' style so you can always keep the Lipoly connected as a 'backup' power that will only get used when USB power is lost.

The above shows the Micro USB jack (left), Lipoly JST jack (top left), as well as the 3.3V regulator and changeover diode (just to the right of the JST jack) and the Lipoly charging circuitry (to the right of the Reset button). There's also a CHG LED, which will light up while the battery is charging. This LED might also flicker if the battery is not connected.

Power Supplies

You have a lot of power supply options here! We bring out the BAT pin, which is tied to the lipoly JST connector, as well as USB which is the 5V from USB if connected. We also have the 3V pin which has the output from the 3.3V regulator. We use a 500mA peak SPX3819. While you can get 500mA from it, you can't do it continuously from 5V as it will overheat the regulator. It's fine for, say, powering an ESP8266 WiFi chip or XBee radio though, since the current draw is 'spiky' & sporadic.

Measuring Battery

If you're running off of a battery, chances are you wanna know what the voltage is at! That way you can tell when the battery needs recharging. Lipoly batteries are 'maxed out' at 4.2V and stick around 3.7V for much of the battery life, then slowly sink down to 3.2V or so before the protection circuitry cuts it off. By measuring the voltage you can quickly tell when you're heading below 3.7V

To make this easy we stuck a double-100K resistor divider on the BAT pin, and connected it to D9 (a.k.a analog #7 A7). You can read this pin's voltage, then double it, to get the battery voltage.

Copy Code
#define VBATPIN A9

float measuredvbat = analogRead(VBATPIN);
measuredvbat *= 2; // we divided by 2, so multiply back
measuredvbat *= 3.3; // Multiply by 3.3V, our reference voltage
measuredvbat /= 1024; // convert to voltage
Serial.print("VBat: " ); Serial.println(measuredvbat);

ENable pin

If you'd like to turn off the 3.3V regulator, you can do that with the EN(able) pin. Simply tie this pin to Ground and it will disable the 3V regulator. The BAT and USB pins will still be powered

Arduino IDE Setup

The first thing you will need to do is to download the latest release of the Arduino IDE. You will need to be using version 1.6.4 or higher for this guide.

                                         

After you have downloaded and installed v1.6.4, you will need to start the IDE and navigate to the Preferences menu. You can access it from the File menu in Windows or Linux, or the Arduino menu on OS X.

A dialog will pop up just like the one shown below.

We will be adding a URL to the new Additional Boards Manager URLs option. The list of URLs is comma separated, and you will only have to add each URL once. New Adafruit boards and updates to existing boards will automatically be picked up by the Board Manager each time it is opened. The URLs point to index files that the Board Manager uses to build the list of available & installed boards.

To find the most up to date list of URLs you can add, you can visit the list of third party board URLs on the Arduino IDE wiki. We will only need to add one URL to the IDE in this example, but you can add multiple URLS by separating them with commas. Copy and paste the link below into the Additional Boards Manager URLs option in the Arduino IDE preferences.

Copy Code
https://adafruit.github.io/arduino-board-index/package_adafruit_index.json

Here's a short description of each of the Adafruit supplied packages that will be available in the Board Manager when you add the URL:

  • Adafruit AVR Boards - Includes support for Flora, Gemma, Feather 32u4, Trinket, & Trinket Pro.
  • Adafruit SAMD Boards - Includes support for Feather M0
  • Arduino Leonardo & Micro MIDI-USB - This adds MIDI over USB support for the Flora, Feather 32u4, Micro and Leonardo using the arcore project.

Click OK to save the new preference settings. Next we will look at installing boards with the Board Manager.

Using with Arduino IDE

Since the Feather 32u4 uses an ATmega32u4 chip running at 8 MHz, you can pretty easily get it working with the Arduino IDE. Many libraries (including the popular ones like NeoPixels and display) work great with the '32u4 and 8 MHz clock speed.

Now that you have added the appropriate URLs to the Arduino IDE preferences, you can open the Boards Manager by navigating to the Tools->Board menu.

Once the Board Manager opens, click on the category drop down menu on the top left hand side of the window and select Contributed. You will then be able to select and install the boards supplied by the URLs added to the prefrences. In the example below, we are installing support for Adafruit AVR Boards, but the same applies to all boards installed with the Board Manager.

Next, quit and reopen the Arduino IDE to ensure that all of the boards are properly installed. You should now be able to select and upload to the new boards listed in the Tools->Board menu.

Install Drivers (Windows Only)

When you plug in the Feather, you'll need to possibly install a driver

Start out by installing the serial/CDC drivers. We'll be using PJRC's awesome generic CDC drivers, works with all Windows and all CDC devices. (Thanks Paul!)

Mac/Linux does not need a driver, continue as is!

Blink

Now you can upload your first blink sketch!

Plug in the Feather 32u4 and wait for it to be recognized by the OS (just takes a few seconds). It will create a serial/COM port, you can now select it from the dropdown, it'll even be 'indicated' as Feather 32u4!

Now load up the Blink example

Copy Code
// the setup function runs once when you press reset or power the board
void setup() {
// initialize digital pin 13 as an output.
pinMode(13, OUTPUT);
}

// the loop function runs over and over again forever
void loop() {
digitalWrite(13, HIGH); // turn the LED on (HIGH is the voltage level)
delay(1000); // wait for a second
digitalWrite(13, LOW); // turn the LED off by making the voltage LOW
delay(1000); // wait for a second
}

And click upload! That's it, you will be able to see the LED blink rate change as you adapt the delay() calls.

Manually bootloading

If you ever get in a 'weird' spot with the bootloader, or you have uploaded code that crashes and doesn't auto-reboot into the bootloader, click the RST button to get back into the bootloader. The red LED will pulse, so you know that its in bootloader mode. Do the reset button press right as the Arduino IDE says its attempting to upload the sketch, when you see the Yellow Arrow lit and the Uploading... text in the status bar.

Don't click the reset button before uploading, unlike other bootloaders you want this one to run at the time Arduino is trying to upload

Ubuntu & Linux Issue Fix

Note if you're using Ubuntu 15.04 (or perhaps other more recent Linux distributions) there is an issue with the modem manager service which causes the Bluefruit LE micro to be difficult to program. If you run into errors like "device or resource busy", "bad file descriptor", or "port is busy" when attempting to program then you are hitting this issue.

The fix for this issue is to make sure Adafruit's custom udev rules are applied to your system. One of these rules is made to configure modem manager not to touch the Bluefruit Micro board and will fix the programming difficulty issue. Follow the steps for installing Adafruit's udev rules on this page.

Using the SD Card

Once you have your Feather working, you probably want to rock out with some SD card reading and writing! Luckily, the Arduino IDE has an SD card library that works great, and it even comes with the IDE!

You can start with CardInfo which is very detailed

Luckily many of the default examples already have chipSelect = 4 so you can just upload immediately. For other sketches, do check to make sure that CS is set to 4! The SD card uses hardware SPI for the remaining pins.

Anyhow, open up the serial console and you'll get all this info including a list of files

Once you have that working, check out the other examples, such the Datalogger example (saving analog data to SD card) and Dumpfile example (reading back data from an SD card)

Example logging sketch

If you want to try saving data to the SD card in the simplest sketch, try this example. You can adjust the delay() to set how often analog data is read from pin A0 and saved to the SD card. The red LED will blink if there's an error, and the green LED will blink when data is written to the SD card.

Note that to save power, we buffer the data, so you will only 'save' data truely every 50 datapoints (512 total characters written)

Copy Code
#include <SPI.h>
#include <SD.h>

// Set the pins used
#define cardSelect 4

File logfile;

// blink out an error code
void error(uint8_t errno) {
while(1) {
uint8_t i;
for (i=0; i<errno; i ) {
digitalWrite(13, HIGH);
delay(100);
digitalWrite(13, LOW);
delay(100);
}
for (i=errno; i<10; i ) {
delay(200);
}
}
}

#ifdef ARDUINO_SAMD_ZERO
#define Serial SerialUSB
#endif

void setup() {
// connect at 115200 so we can read the GPS fast enough and echo without dropping chars
// also spit it out
Serial.begin(115200);
Serial.println("\r\nAnalog logger test");
pinMode(13, OUTPUT);


// see if the card is present and can be initialized:
if (!SD.begin(cardSelect)) {
Serial.println("Card init. failed!");
error(2);
}
char filename[15];
strcpy(filename, "ANALOG00.TXT");
for (uint8_t i = 0; i < 100; i ) {
filename[6] = '0' i/10;
filename[7] = '0' i;
// create if does not exist, do not open existing, write, sync after write
if (! SD.exists(filename)) {
break;
}
}

logfile = SD.open(filename, FILE_WRITE);
if( ! logfile ) {
Serial.print("Couldnt create ");
Serial.println(filename);
error(3);
}
Serial.print("Writing to ");
Serial.println(filename);

pinMode(13, OUTPUT);
pinMode(8, OUTPUT);
Serial.println("Ready!");
}

uint8_t i=0;
void loop() {
digitalWrite(8, HIGH);
logfile.print("A0 = "); logfile.println(analogRead(0));
Serial.print("A0 = "); Serial.println(analogRead(0));
digitalWrite(8, LOW);

delay(100);
}

If you really want to make sure you save every data point, put a

Copy Code
logfile.flush();

right after the logfile.print's however this will cause the adalogger to draw a lot more power, maybe about 3x as much on average (30mA avg rather than about 10mA)

Downloads

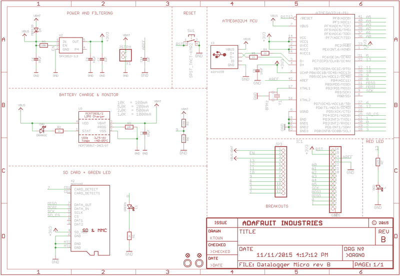
Schematic

Click to enlarge

Fabrication Print

Dimensions in inches

ALUMINUM SMT HEAT SINKS 10 PACK
Mfr Part # 1515
ALUMINUM SMT HEAT SINKS 10 PACK
Adafruit Industries LLC
4,28 €
View More Details
Mfr Part # 1570
CABLE TESTER MULTI CBL
Greenlee Communications
130,60 €
View More Details
Mfr Part # 1578
CABLE TESTER REMOTE MULTI CBL
Greenlee Communications
30,73 €
View More Details
Mfr Part # 939
USB MICROSD CARD READER/WRITER -
Adafruit Industries LLC
5,14 €
View More Details
Mfr Part # 659
FLORA ELECTRONIC PLATFORM V3
Adafruit Industries LLC
12,91 €
View More Details
Add all DigiKey Parts to Cart
Have questions or comments? Continue the conversation on TechForum, DigiKey's online community and technical resource.